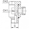
Производитель CastКод CAST 101307.1Резьба1 18х1,5Диаметр трубки1 12LG 3/8"CH1 27CH2 24
Доставка
Вы можете самостоятельно забрать товар с нашего склада по адресу: г. Липецк, Боевой проезд, 23 Б. Также можно оформить доставку по всей России через транспортные компании. Доставка до терминалов ТК Деловые Линии, ТК Байкал-Сервис осуществляется бесплатно. Стоимость доставки определяется тарифами транспортных компаний.
Оплата
Уважаемые покупатели, можете выбрать удобный для Вас способ оплаты:
Для юридических лиц:
- юридические лица оплачивают услуги согласно выставленному счету.
Для физических лиц:
- наличными или банковской картой в нашем магазине при условии самовывоза;
- банковским переводом на расчетный счет (комиссия банка начисляется в размере утвержденных тарифов Банка). Реквизиты для оплаты можно получить по телефону +7 (919) 259-95-55 или отправить запрос на эл. почту info@gidroliga.com
Гарантийный срок зависит от типа приобретаемого товара и, как правило, составляет 12 месяцев от даты отгрузки товара Покупателю.
По гарантийному и послегарантийному обслуживанию обращайтесь по телефонам:
+7 (4742) 79-70-70
+7 (919) 259-95-55
Также вы можете отправить заполненный бланк рекламации на электронную почту:
info@gidroliga.com
Подробнее о гарантийных обязательствах в разделе “Гарантия и возврат”