ГИДРОЗАМОК ОДНОСТОРОННИЙ. VBPSE 3/8"A G3/8 30 л/мин
ГИДРОЗАМОК ОДНОСТОРОННИЙ. VBPSE 3/8"A G3/8 30 л/мин
- Производитель
- (Рабочее давление) WPbar 350
- Резьба подключения G 3/8" (BSP)
- Расх. Макс, л/мин. 30
- Материал корпуса оцинкованная сталь
- Давл. открытие, бар 4,5
Использование:
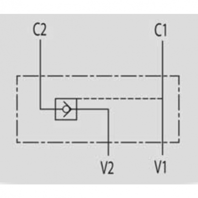
Гидрозамок применяется для блокировки цилиндра только в одном направлении. Допускает движение потока только в одном направлении и препятствует его движению в противоположном, до тех пор пока не будет достигнуто рабочее давление.
Гидравлическая жидкость блокируется в полости гидродвигателя С2 при отсутствии давления в линии V1.
Монтаж:
Подсоединить V1 и V2 на питание, C1 со стороны блока регулировки со свободным прохождением потока и C2 со стороны блока регулировки, где необходима герметичность.
Описание
Доставка и оплата
Гарантии
Характеристики
4 570 ₽
В наличии



