ГИДРОЗАМОК ОДНОСТОРОННИЙ. VBPSE 1/2"A G1/2 55 л/мин
ГИДРОЗАМОК ОДНОСТОРОННИЙ. VBPSE 1/2"A G1/2 55 л/мин
- Производитель
- (Рабочее давление) WPbar 350
- Резьба подключения G 1/2" (BSP)
- Расх. Макс, л/мин. 55
- Материал корпуса оцинкованная сталь
- Давл. открытие, бар 5,5
Использование:
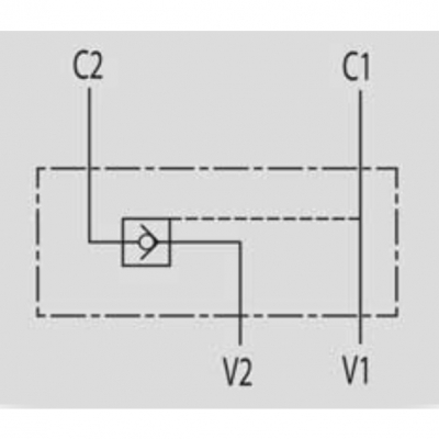
Гидрозамок применяется для блокировки цилиндра только в одном направлении. Допускает движение потока только в одном направлении и препятствует его движению в противоположном, до тех пор пока не будет достигнуто рабочее давление.
Гидравлическая жидкость блокируется в полости гидродвигателя С2 при отсутствии давления в линии V1.
Монтаж:
Подсоединить V1 и V2 на питание, C1 со стороны блока регулировки со свободным прохождением потока и C2 со стороны блока регулировки, где необходима герметичность.
Описание
Доставка и оплата
Гарантии
Характеристики
3 915 ₽
Нет в наличии



