ГИДРОЗАМОК ОДНОСТОРОННИЙ. VBPSE 3/4" L4 VIE G3/4 100л/мин
ГИДРОЗАМОК ОДНОСТОРОННИЙ. VBPSE 3/4" L4 VIE G3/4 100л/мин
- Производитель
- (Рабочее давление) WPbar 350
- Резьба подключения G 3/4" (BSP)
- Расх. Макс, л/мин. 100
- Материал корпуса оцинкованная сталь
- Давл. открытие, бар 2
Использование:
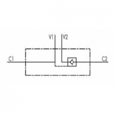
Гидрозамок используется для фиксации гидроцилиндра в одном направлении. Допускает движение потока рабочей жидкости в одном направлении и препятствует его движению в противоположном направлении, пока давление в линии управления не откроет запорный клапан.
Монтаж:
В порты V1 и V2 подключается напорная магистраль.
В порт C1 подключается свободная линия исполнительного механизма.
В порт C2 подключается запираемая линия исполнительного механизма.
Примечание: порты показаны на установочном чертеже и гидросхеме гидрозамка.
Описание
Доставка и оплата
Гарантии
Характеристики
4 120 ₽
В наличии



