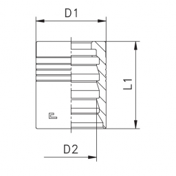
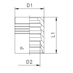
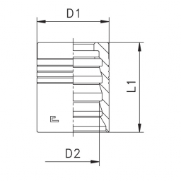
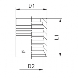
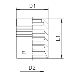
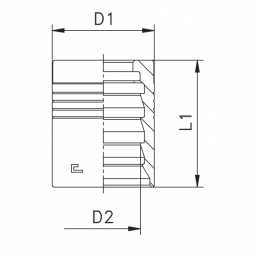
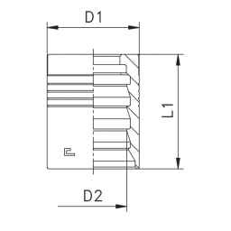
Муфта обжимная 4SP/4SH
Универсальная обжимная муфта 4SP/4SH предназначена для опрессовки навивочных рукавов высокого давления типов 4SP и 4SH. Для обжимки РВД 4SP и 4SH такими муфтами требуется обязательная зачистка наружного слоя резины шланга перед опрессовкой. При изготовлении обжимной гильзы 4SP/4SH используется специальная высокопластичная сталь, что исключает разрыв гильзы при опрессовке. Муфта для РВД имеет цинковое антикоррозийное покрытие.

Диапазон цен, руб.
Загрузка фильтра цен...
Производитель
По умолчанию
Показывать по 12
Показано 8 товаров из
8







